服务热线


网站导航
主营产品:
阀门
当前位置:主页 > 产品展示> 阀门

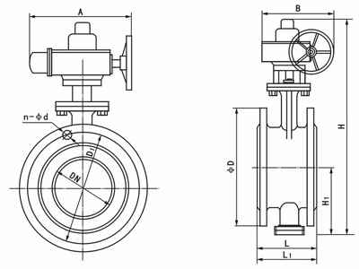
电动软密封蝶阀

产品时间:2021-07-08 14:56

简要描述:

电动软密封蝶阀结构简单、体积小、重量轻,只由少数几个零件组成。而且只需旋转90°即可快速启闭,操作简单,同时该电动蝶阀具有良好的流体控制特性。电动法兰蝶阀处于完全开启...

详细介绍

电动软密封蝶阀结构简单、体积小、重量轻,只由少数几个零件组成。而且只需旋转90°即可快速启闭,操作简单,同时该电动蝶阀具有良好的流体控制特性。电动法兰蝶阀处于完全开启位置时,蝶板厚度是介质流经阀体时唯一的阻力,因此通过该蝶阀所产生的压力降很小,故具有较好的流量控制特性。弹性密封阀门,密封圈可以镶嵌在阀体上或附在蝶板周边。

电动法兰蝶阀注意事项:

1:请务必接对电源相序,以免阀门或执行器损坏。

2:通电时禁止手动操作。

3:户外用时最好给电动执行机构外加防护盖子,防止老化。

4:开盖后应拧紧密螺丝,防止进水或灰尘进入执行机构内部。

5:请不要安装在易爆气体周围。

6:请确定输入电压和配线接点是否正确。

7:禁止超负荷使用电动执行机构。

1.jpg


 


产品咨询

留言框

  • 产品:

  • 留言内容:

  • 您的单位:

  • 您的姓名:

  • 联系电话:

  • 常用邮箱:

  • 详细地址:

上一篇:没有了

下一篇:楔式闸阀

推荐产品

Copyright © 泉州程阳政策咨询服务有限公司 版权所有  

添加QQ客服:

服务热线

扫一扫,关注我们

微信二维码
weixinhao
微信号